Outdoor type Four Output Optical Receiver
BD-OR-4RF-O optical receiver is an outdoor 4 outputs waterproof receiver with SNMP. It is mainly used in the building,community or village with concentrated users and high level multi-outputs distribution network. The optical receiver can work together with ONU or EOC to realize the network convergence.
1. Applications
The
four-way output optical receiver is a field rain-proof receiver. It is suitable
for users with concentrated buildings or communities or villages. It is
suitable for multi-port high-level output distribution network. It is
suitablefor areas where power is not convenient, single unit with multiple
users. Can be used with ONU or EOC to achieve triple play.
The
front stage of the four-way output optical receiver is amplified by a full GaAs
MMIC, and the latter stage is a GaAs module amplifier. The adjustable
attenuation and equalization are very convenient for construction. Users can
also select more targeted high-quality modules according to actual needs. The
optimized circuit design makes the machine achieve high performance index,
which is the ideal model for building CATV network.
2. Performance Characteristics
n High quality waterproof aluminum casing,
waterproof level up to IP65 standard.
n Beautiful and elegant double-shielded panel
guarantees good EMC index.
n Advanced GaAs low noise amplifier circuit to
increase device receiving sensitivity.
n Ten LED light power indications, optical
power display is more accurate.
n The AGC control range is +2~-8dBm, and the
output is basically unchanged. CTB and SCO are basically unchanged.
n AC-60v has independent power supply port.
n With slotted output plug-in, you can switch
branches or assign outputs.
n Built-in button fuse box for quick and easy
replacement.
n Use T-type + E anti-surge lightning
protection circuit to effectively prevent power supply damage.
n International SNMP Network Management
Protocol.
3. Technical Parameters
|
Wavelength |
1100-1600nm |
CN (Note 3) |
≥51dB |
|
Optical input power |
-8dBm~+2dBm |
CTB (Note 3) |
≥65dB |
|
AGC range |
-8dBm~+2dBm |
CSO (Note 3) |
≥62dB |
|
Optical return loss |
>45 dB |
Power supply voltage |
AC35V-AC90V&AC140V~265V或订制 |
|
Optical connector |
FC/APCS&SC/APC |
Mainboard voltage |
+24V&+8V |
|
Bandwidth |
40~750&862&1006MHz |
Working Temp. |
-25℃ ~+55℃ |
|
Flatness |
±0.75dB@ 40~750MHz ±1dB@ 40~862MHz&1006MHz |
Consumption |
≤36W |
|
RF output return loss |
≥16dB@ 40~550MHz ≥14dB@550~750MHz&862MHz&1006MHz |
Power supply way |
220V@Chinese outlet with 1m power cord 60V@G283 independent power supply port |
|
Gain adjustable range |
0-20dB×2 |
Net size |
270×210×100mm |
|
Slope adjustable range |
0-18dB |
Weight with inner box |
2.6kg(produce net weight (2.1kg) |
|
Impedance |
75Ω |
Carton gross weight |
23kg(10pcs) |
Note 1: 59 PAL-D analog TV channel signals are configured at
550MHz and 550MHz-862MHz transmits full-band digitally modulated signals every
2MHz at the specified link loss. The digitally modulated signal level is 10 dB
lower than the analog modulated signal level and tested when the optical
receiver input optical power is -1 dBm. The test results will be different
according to the different amplification modules of the optical receiver
configuration.
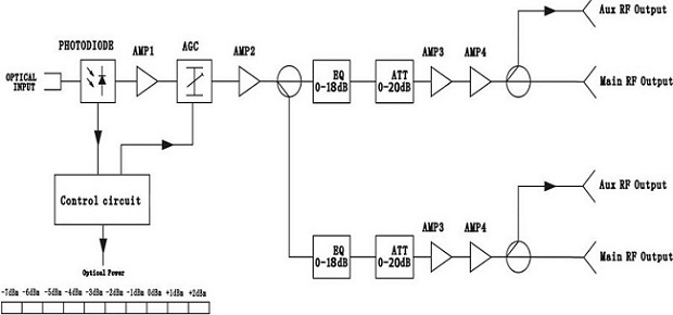
4.
Schematic Diagram
Related Products
Send an Inquiry
Tell us your required quantity, destination country, and any technical requirements. We'll reply within 12 hours.

